The Chili Line

What was used to communicate between Antonito and Santa Fe on the Chili Line? The 1923 roster shows only one wire, No. 01 between Antonito and Sante Fe. This was the Dispatchers' wire from La Veta to Durango with No. 01 the designated wire reserved for use of Dispatchers in train order handling. The 01 was a joint wire with Western Union Antonito to Sante Fe. However I worked as second Operator at Antonito in 1937 and again in 1940/41 and, while not certain I dimly remember there were two wires. Probably enough wire traffic at a date later than 1923 had caused W.U. to take over one wire for its use and installed a second for us. The 1923 roster shows T for telegraphones at several locations. I can only remember it as being usable to Taos Junction and beyond that point used more as a local gossip line which if needed trains in trouble could ring in Espanola to relay information to Alamosa Dispatcher by Morse.

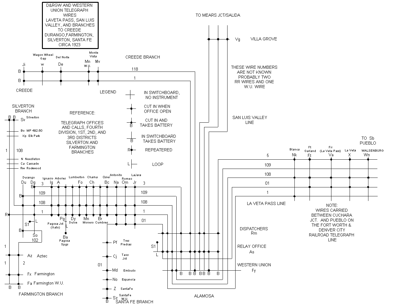
Diagram of DRGW Telegraph Wires on the Narrow Gauge by L.E. Trump

The Rio Grande Southern

Did the RGS have a telegraph or telephone for dispatching? The simple answer to this is that the RGS was a microcosm of the D&RGW. During one stage of its long history of bankruptcy it was controlled and operated by the Rio Grande. One season of heavy snowmelt and highwater the RGS literally sank into the ground or washed away. I was loaned to them as overall factotum including doing the train dispatching. You have no doubt heard the term "fence line telephone system". At the time I was on loan to the RGS this was almost an actuality on the RGS. When the wire line experienced an interruption the Roadmaster Jack-of-All-Trades R.M. Murphy went out to make repairs, if the break needed more wire than he had to splice in missing sections he just went to the nearest rancher's fence line and took enough barbed wire (bobwahr) to fill the missing gap. (And that is not one of my untruths. I was there and experienced the bad quality of Morse going over such a line wire.) But the Old-Timers who stuck it out until final demise were honest-to-God brass pounders. Some of old key-pounders did not use Vibroplex bugs* and sent beautiful Morse.

* A "Vibroplex bug" is a telegraph key that makes dots automatically.

Go back to Page 10
Go to Page 12